Люцифер Опубликовано 4 октября, 2017 Поделиться Опубликовано 4 октября, 2017 Ремонт блоков питания зарядников ,перевод злектроинструмента с никеля на литий,ремонт китайских велофар,изготовление автомобильных зарядников и пускачей по индивидуальным заказам ,ремонт мелкой бытовой техники . Нахожусь на левом берегу рядом с автовокзалом .Возможен выезд на дом для починки крупногабаритной техники. 4 Цитата Ссылка на комментарий Поделиться на другие сайты Поделиться
U-man Опубликовано 4 октября, 2017 Поделиться Опубликовано 4 октября, 2017 Есть фара-сова. Диоды последовательно(если имеет значение). Возможно переделать драйвер, увеличив подаваемый ток на них? Драйвер импульсный Цитата Ссылка на комментарий Поделиться на другие сайты Поделиться
Nomad Опубликовано 4 октября, 2017 Поделиться Опубликовано 4 октября, 2017 Ламповая мастерская олдфага :) Цитата Ссылка на комментарий Поделиться на другие сайты Поделиться
Dan Опубликовано 4 октября, 2017 Поделиться Опубликовано 4 октября, 2017 Ламповая мастерская олдфага :) Совдепия в её "лучшие" года разрухи :lol: Без обид, но у "Валеры" все гораздо круче. Цитата Ссылка на комментарий Поделиться на другие сайты Поделиться
Nomad Опубликовано 4 октября, 2017 Поделиться Опубликовано 4 октября, 2017 Совдепия в её "лучшие" года разрухи :lol: Без обид, но у "Валеры" все гораздо круче. Конечно без обид, закономерность же. В вело мастерских аналогично, где-то глянец, а где-то мазута ;) Выбор всегда за пользователем. Могу распихивать клиентов с долговременными ремонтами, если жить скучно)) Цитата Ссылка на комментарий Поделиться на другие сайты Поделиться
Люцифер Опубликовано 6 октября, 2017 Автор Поделиться Опубликовано 6 октября, 2017 Есть фара-сова. Диоды последовательно(если имеет значение). Возможно переделать драйвер, увеличив подаваемый ток на них? Драйвер импульсный если увеличить ток через светодиоды велофары они проживут меньше,зато будут быстрее высаживать аккумуляторы,яркость при этом возрастёт незначительно . Переделать светодиодный драйвер легко-где-то полчаса работы и 300 рублей денег Цитата Ссылка на комментарий Поделиться на другие сайты Поделиться
Люцифер Опубликовано 4 декабря, 2017 Автор Поделиться Опубликовано 4 декабря, 2017 отремонтирую мелкую бытовую технику-миксер ,блендер,увлажнитель воздуха и так далее-обращайтесь ,не стесняйтесь <_< Цитата Ссылка на комментарий Поделиться на другие сайты Поделиться
Люцифер Опубликовано 16 февраля, 2018 Автор Поделиться Опубликовано 16 февраля, 2018 отремонтирую мелкую бытовую технику-миксер ,блендер,увлажнитель воздуха и так далее-обращайтесь ,не стесняйтесь <_< ап Цитата Ссылка на комментарий Поделиться на другие сайты Поделиться
prYAn1k Опубликовано 28 февраля, 2018 Поделиться Опубликовано 28 февраля, 2018 Есть Блоки с 220 на 5вольт, Некотрые 3 выдают, с некоторыми еще что-то, всего порядка 25+ Фото 1 Фото 2 Цитата Ссылка на комментарий Поделиться на другие сайты Поделиться
Люцифер Опубликовано 19 марта, 2018 Автор Поделиться Опубликовано 19 марта, 2018 Есть Блоки с 220 на 5вольт, Некотрые 3 выдают, с некоторыми еще что-то, всего порядка 25+ Фото 1 Фото 2 привози-отремонтирую все-примерно по 300-400 рублей за ремонт одного блока-гарантия 60 дней либо 1000 часов наработки Цитата Ссылка на комментарий Поделиться на другие сайты Поделиться
Люцифер Опубликовано 3 августа, 2018 Автор Поделиться Опубликовано 3 августа, 2018 заменю светодиод велофары-есть тёпло -белые и холодно-белые- на 3 ватта. Также могу подсвежить литий в аккумуляторе народной велофары. есть в наличии 6 банок sanyo с реальной ёмкостью 2150 милллиампер-часов. Форм-фактор 18650 Цитата Ссылка на комментарий Поделиться на другие сайты Поделиться
Тон Опубликовано 3 августа, 2018 Поделиться Опубликовано 3 августа, 2018 рабочий беспорядок вообще то понятие относительное, главное что человек занят любимым делом. схемотехника тема) Цитата Ссылка на комментарий Поделиться на другие сайты Поделиться
Focus Опубликовано 3 августа, 2018 Поделиться Опубликовано 3 августа, 2018 Нужно заменить аккумуляторы в батарейке ноутбука? Цитата Ссылка на комментарий Поделиться на другие сайты Поделиться
Люцифер Опубликовано 6 августа, 2018 Автор Поделиться Опубликовано 6 августа, 2018 давай заменю-но у меня есть только б-ушные аккумуляторы Цитата Ссылка на комментарий Поделиться на другие сайты Поделиться
Focus Опубликовано 7 августа, 2018 Поделиться Опубликовано 7 августа, 2018 Сколько стоит и куда принести? Цитата Ссылка на комментарий Поделиться на другие сайты Поделиться
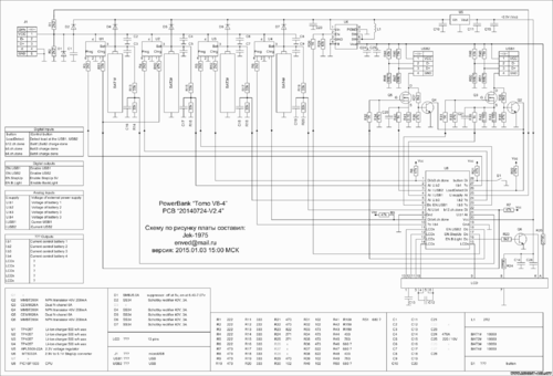
yar Опубликовано 14 ноября, 2018 Поделиться Опубликовано 14 ноября, 2018 (изменено) Сдох Power bank TOMO. 4 позиции для батарей 18650. Если поставить аккум на 3 и 4 позицию - показывает заряд аакума нормально, если поставить на 1 или 2 - уходит в режим зарядки, хотя внешнего питания нет. Судя по схеме сдох главный чип. Отремонтировать можно или проще выбросить? Изменено 14 ноября, 2018 пользователем yar Цитата Ссылка на комментарий Поделиться на другие сайты Поделиться
Люцифер Опубликовано 14 ноября, 2018 Автор Поделиться Опубликовано 14 ноября, 2018 можно выбросить эту навороченнную но довольно дурацкую на мой взгляд схему и поставить простую с сайта "паяльник"-тогда он станет меньше греться при работе ,но перестанет показывать уровень заряда каждого аккумулятора-будет показывать только уровень заряда всей батареи в целом-приноси ,сделаю тебе эту переделку за пару дней-цена вопроса 900 рублей Цитата Ссылка на комментарий Поделиться на другие сайты Поделиться
Андрей_S Опубликовано 25 ноября, 2018 Поделиться Опубликовано 25 ноября, 2018 Зарядник аккумулятор не заряжает. Зеленый индикатор горит и не мигает как раньше при зарядке. Со всеми тремя аккумами так. Ремонт возможен или проще новый? 1 Цитата Ссылка на комментарий Поделиться на другие сайты Поделиться
Люцифер Опубликовано 7 декабря, 2018 Автор Поделиться Опубликовано 7 декабря, 2018 вполне возможен-притаскивай ко мне домой сделаю за 200 рублей в лучшем виде Цитата Ссылка на комментарий Поделиться на другие сайты Поделиться
Люцифер Опубликовано 31 августа, 2020 Автор Поделиться Опубликовано 31 августа, 2020 Цитата Ссылка на комментарий Поделиться на другие сайты Поделиться
Люцифер Опубликовано 6 октября, 2020 Автор Поделиться Опубликовано 6 октября, 2020 кто принёс мне на ремонт шуруповёрт "BORT" ? Я ГО ИСПРАВИЛ -ПРОДОРОЖИЛ КООЛЕКТОР МОТОРА. Хозяин шуруповёрта-откликнись Цитата Ссылка на комментарий Поделиться на другие сайты Поделиться
kern Опубликовано 3 ноября, 2020 Поделиться Опубликовано 3 ноября, 2020 Есть вот такие весы: Проблема в том, что цифры горят не полностью. Это можно вылечить? Цитата Ссылка на комментарий Поделиться на другие сайты Поделиться
Nomad Опубликовано 5 ноября, 2020 Поделиться Опубликовано 5 ноября, 2020 Теоретически можно попробовать, методом поддавливания шлейфа к матрице. Зовите меня тоже Алексей Цитата Ссылка на комментарий Поделиться на другие сайты Поделиться
A.T. Опубликовано 5 ноября, 2020 Поделиться Опубликовано 5 ноября, 2020 Если шлейф приклеен к плате без пайки, можно его аккуратно, через несколько слоев бумажного скотча прогреть паяльником. Перед этим убедившись, что плохой контакт в этом месте. Цитата Ссылка на комментарий Поделиться на другие сайты Поделиться
Люцифер Опубликовано 4 августа, 2021 Автор Поделиться Опубликовано 4 августа, 2021 Цитата Ссылка на комментарий Поделиться на другие сайты Поделиться
Рекомендуемые сообщения
Присоединяйтесь к обсуждению
Вы можете написать сейчас и зарегистрироваться позже. Если у вас есть аккаунт, авторизуйтесь, чтобы опубликовать от имени своего аккаунта.